屋外用配線器具:[電子]消灯タイマ付EEスイッチ
![[電子]消灯タイマ付EEスイッチ](/jp/densetsu/haisen/switch_concent/smartwr/img/ee/pht_mv.jpg)
特長
周囲が暗くなれば門灯や庭園灯を自動点灯し、タイマの働きで設定時間に自動消灯する自動点滅器です。
外壁やサッシなどに合わせてコーディネートできる4色をご用意しています。

門灯や庭園灯が暗くなれば自動点灯し、タイマの働きで設定時間に自動消灯します。

おすすめの用途
ついうっかりが多い門灯、ポーチ灯、庭園灯など屋外照明のスイッチに。
おすすめの設置場所
玄関脇、駐車場、ベランダ、庭など。
商品ラインアップ
スマート[電子]消灯タイマ付EEスイッチ




スマートデザインシリーズ用露出ボックス
スマートデザインシリーズの外形寸法に合わせた露出ボックスです。
コンセント増設工事など、露出ボックス取付が必要な場合の組合せ外観品質が向上します。

手動押釦
EEスイッチと組み合わせて、手動で照明の点灯・消灯が行えるスイッチです。
EEスイッチ本体の押釦併設選択スイッチを「あり」に設定して接続してください。
- ・夜間の自動点灯中に手動で照明の点灯・消灯が行えます。
- ・タイマ消灯後も手動で点灯・消灯が行えます。
- ・昼間の手動点灯はできません。
コスモシリーズ ワイド21スイッチ
アドバンスシリーズスイッチ
| 埋込EEスイッチ手動押釦 (セラミックホワイト) |
品番 | 負荷容量 | 希望小売価格 (税抜) |
|---|---|---|---|
|
負荷0.05~3A |
3,300円 |
|
|
負荷0.6~8A |
3,400円 |
組み合わせ例
露出ボックス
手動押釦
| 組合せ例 | スイッチ | プレート |
|---|---|---|
|
コスモシリーズワイド21
希望小売価格 |
コスモシリーズワイド21
希望小売価格 |
|
アドバンスシリーズ
希望小売価格 |
アドバンスシリーズ
希望小売価格 |
他のスイッチと2連接取付する場合は以下をご使用ください。
仕様・各種図面
仕様
| 負荷容量 | AC100V 8A | |
|---|---|---|
| 消費電力 | 6mA以下(定格電圧:1,000 lxにて測定) | |
| 動作電圧 | AC90V~110V | |
| 開閉寿命 | 10,000回以上 | |
| 動作照度 | 点灯照度 | 5~300 lx(定格電圧、周囲温度20±5℃において) |
| 消灯照度 | 点灯照度の10倍以下(5 lx調整時) 5倍以下(300 lx調整時) |
|
| 使用場所 | 屋外、屋側 | |
| 使用周囲温度 | -10℃~40℃ | |
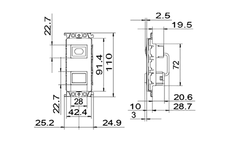
寸法図(寸法表示単位:mm)
EE4518S・W・Q・B

WTF4991W・WTF49911W

WTL4991WK・WTL49911WK

WK9803

負荷接続灯数
EE4518S・Q・W・Bの負荷接続灯数につきましては、こちらをご覧ください。
各部の名称と設定方法

押釦併設「あり」の場合
手動押釦(WTF4991W、WTF49911W、WTL4991WK、WTL49911WK、WT5460)との組み合わせで、
夜間、自動点灯後、必要に応じて手動で照明器具の点灯/消灯を繰り返し行えます。
タイマで消灯後も押釦スイッチで点滅を繰り返し行えます。(昼間、自動点灯前の点灯はできません。)
夜間停電回復時の動作
| 停電時間 | 停電前状態 | 停電回復時 | |
|---|---|---|---|
| 押釦併設選択スイッチの設定 | |||
| 「あり」 | 「なし」 | ||
| 瞬時 (3秒以下) |
点灯 | 消灯※1 | 点灯 |
| 消灯 | 点灯※1 | 消灯 | |
| 3秒を超える | 点灯 | 点灯※2 | 点灯※2 |
| 消灯 | 点灯※2 | 点灯※2 | |
- ※1
- 再点滅のため手動押釦を押してください。消灯時間調整つまみが「切」の場合は朝方まで点灯します。
- ※2
- 消灯時間を設定している場合は点灯後約4時間後に消灯、翌日は設定した消灯時間で動作します。
結線方法

- ・EE4518S・Q・W・B、EE4413K・AK以外のEEスイッチには使用できません。
- ・手動押釦操作時は約2秒以内で押してください。
- ・上記、手動押釦セットを設置する時は、負荷容量に合ったものをご使用ください。
(パイロットランプで室内から照明器具の点滅状態が確認できます。) - ・負荷電流値、0.05~3Aの場合はWTF4991W・WTL4991WK、0.6~8Aの場合はWTF49911W・WTL49911WKをご使用ください。
- ・手動押釦スイッチを複数台使う時は、直列に接続してください。












![[電子]EEスイッチ付フル接地屋外用防水コンセント](/jp/densetsu/haisen/switch_concent/smartwr/img/product/img_product10.jpg)







