MODIFY(モディファイ)

プラン

PLAN

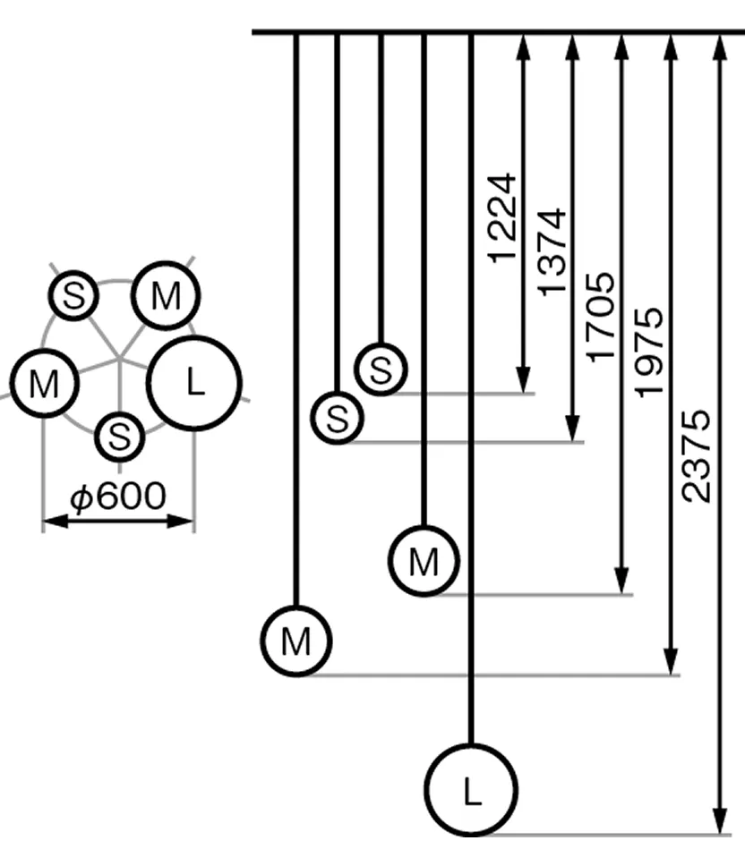
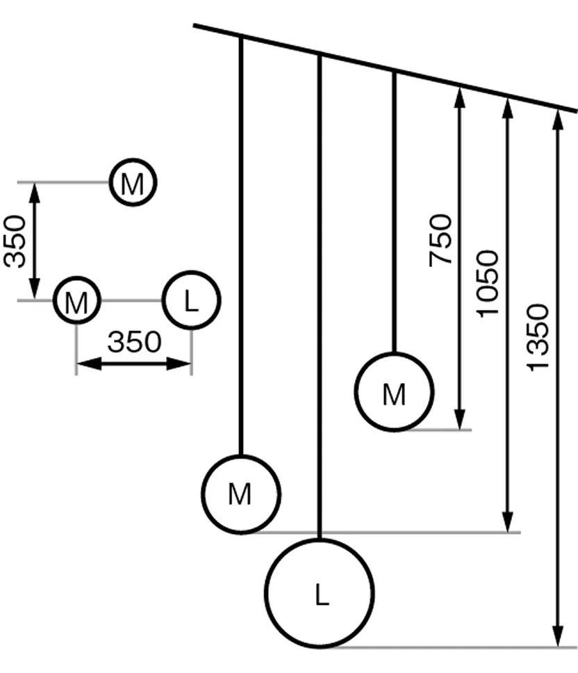
※コード長さを加工しています。加工が必要な場合は購入前にご相談ください。

<採用商品>

[テーブルφ1100・吊り高さ:図参照]

<採用商品>

[テーブルφ1200・吊り高さ:図参照]

<採用商品>

その他のプランを見る

パナソニックの電気設備 SNSアカウント